Please enable JavaScript to view this site.

IDS Software Suite 4.96.1

hint_notice

NOTICE! Make sure to avoid mechanical or electrical damage of the printed circuit board or its connections. Do not touch the printed circuit board while it is powered. Always hold the board by the edges to avoid the risk of electrostatic discharge damage.

hint_info

The applicable tolerances for the overall dimensions of PCBs are higher than the tolerances for housing dimensions.

hint_info

Use only screws with a head diameter of max. 4 mm for the mounting holes of the lens holder.

Lens mount

Weight

PCB version without lens holder

8 g

PCB version with S-mount lens holder (M12)

12 g

hint_notice

NOTICE! The camera connectors may be damaged if you install or remove the camera with plugged in cables. Therefore, first unplug the GigEUSB and/or I/O cable from the camera.

Dimensions of the board level version

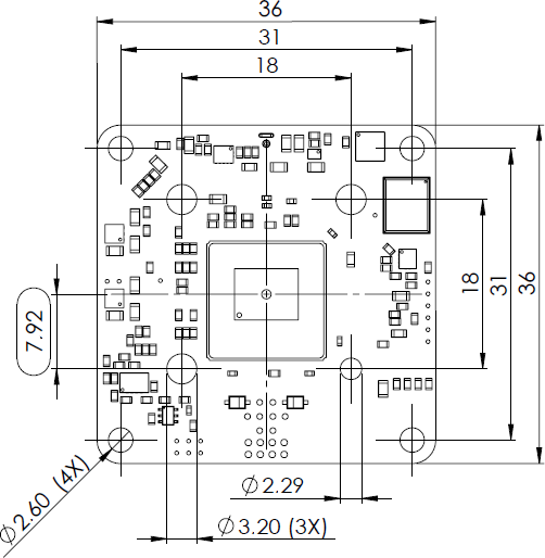
Fig. 409: USB 3 uEye LE PCB version - front view

Fig. 409: USB 3 uEye LE PCB version - front view

Fig. 410: USB 3 uEye LE PCB version - side view

Fig. 410: USB 3 uEye LE PCB version - side view

Fig. 411: USB 3 uEye LE PCB version

Fig. 411: USB 3 uEye LE PCB version

hint_info

The optical center of the USB 3 uEye LE PCB version is exactly the center of the board.

Note that the holes for mounting the lens holder are not symmetrical to the optical center. They are moved in one direction (see drawing above).

Fig. 412: USB 3 uEye LE with lens holder - front view

Fig. 412: USB 3 uEye LE with lens holder - front view

Fig. 413: USB 3 uEye LE with lens holder - side view

Fig. 413: USB 3 uEye LE with lens holder - side view

Fig. 414: USB 3 uEye LE with lens holder

Fig. 414: USB 3 uEye LE with lens holder

© 2022 IDS Imaging Development Systems GmbH